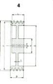
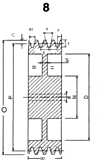
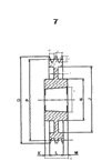
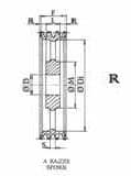
Pulleys Design Types can vary from one size to another and from one manufacturer to another. It can be even more confusing when most manufacturers use a different number system for their pattern types, hence a pattern type 4 from one manufacturer maybe not be the same as pattern type 4 from another manufacturer.
Therefore careful attention should be paid to establish which pattern type you require if it is critical for your application.
Here are examples of the most commonly used:
Pilot Bore Pattern Types:








Taper Bored Pattern Types:









Pre-Bored Pattern Types:




Note: As we provide a combined range of Vee & Wedge Pulleys, in some cases it is possible to offer the same pulley in more than one pattern type, therefore dimensional data sheets are only available upon request.
Note : When requesting a pulley via our Manufacturing Service, please use these Pattern Design types to tell us what type you require if critical for your application.