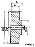
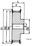
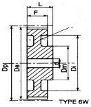
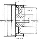
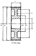
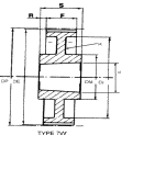
Timing Pulleys Design Types vary from one size to another and from one manufacturer to another. It can be even more confusing as some manufacturers use there own numbering system, hence a pattern type 4 from one manufacturer maybe not be the same as pattern type 4 from another manufacturer.
Therefore careful attention should be paid to establish which pattern type you require, especially if it is critical for your drive layout.
Here are examples of the most commonly used:
Pilot Bore Design Types








Taper Bored Design Types









Note: As our stock range of Timing pulleys is a combined range, in some cases it maybe possible to offer the same pulley in more than one design type, or in the case of Taper Bored pulleys to suit more than one Bush size. Therefore if you need to know any individual pulley’s design type or dimensional detail then this information is not supplied within the Website, but is available upon request to our Sales Department.
Disclaimer: For ease of clarity, when requesting a quotation through our manufacturing service if you need a particular design type, then please use the above designation coding to specify the type you require, as if not we reserve the right to manufacture based on the normal stock design nearest to the pitch and tooth size you have requested.